SC63-200
PRODUCT PARAMETER
Airtac type SC32/SC40/SC50/SC63/SC80/SC100 Series standard tie rod cylinders
Order code

Symbol

Technial parameter
|
Bore size(mm) |
32 |
40 |
50 |
63 |
80 |
100 |
|||
|
Acting type |
Double acting |
||||||||
|
Fluid |
Air |
||||||||
|
Mounting type |
SC |
Basic FA FB CA CB LB TC TCM1 |
|||||||
|
SCD,SCJ |
Basic FA LB TC TCM1 |
||||||||
|
Operating pressure |
0.15~1.0MPa |
||||||||
|
Proof pressure |
1.5MPa |
||||||||
|
Temperature ℃ |
-5~60 |
||||||||
|
Speed range mm/s |
30~800 |
||||||||
|
Cushion type |
Variable cushion |
||||||||
|
Adjustable cushion stroke |
21 |
28 |
29 |
||||||
|
Port size |
1/8” |
1/4” |
3/8” |
1/2” |
|||||
Stroke
|
Item no |
Bore size (mm) |
Standard stroke (mm) |
Max.stroke (mm) |
Allowable stroke (mm) |
|
SC SCD SCJ |
32 |
25 50 75 80 100 125 150 160 175 200 250 300 350 400 450 500 |
1000 |
1800 |
|
40 |
25 50 75 80 100 125 150 160 175 200 250 300 350 400 450 500 600 700 800 900 1000 |
1200 |
1800 |
|
|
50 |
1200 |
1800 |
||
|
63 |
1500 |
1800 |
||
|
80 |
1500 |
1800 |
||
|
100 |
1500 |
1800 |
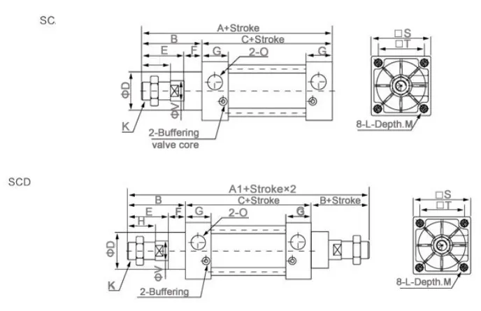
Dimension


Feature
.SC series Air Cylinder Double Acting Standard Pneumatic Cylinder meets Airtac standard
.There is an adjustable buffers at the terminals of the cylinder except for mounted cushion.
.We can offer different kinds of mounting style according to Airtac standard, like Foot mounting, Front flange mounting, Rear-flange mounting,and so on.
.Different thread type can be offered according to customers requirements, e.g.:BSP, NPT etc.
.Don’t need lubricate on piston rod by oil
English