AC20-02-B
AC20-02-B
AC20-02-B
AC20-02-B
AC20-02-B
AC20-02-B
AC20-02-B
AC20-02-B
AC20-02-B
AC20-02-B

AC20-02-B

AC series air combination

Air filter+Regulator +Lubricator

High quality aluminum alloy valve body

5mm fiber filter cartridge for efficient filtration accuracy is 1/16 of a hair's length

• precision thread • high-quality seal • high strength material long lifespan

Usage:

1.pull out the pressure regulator cap. 2.rotate to adjust the pressure. 3.press and lock the pressure
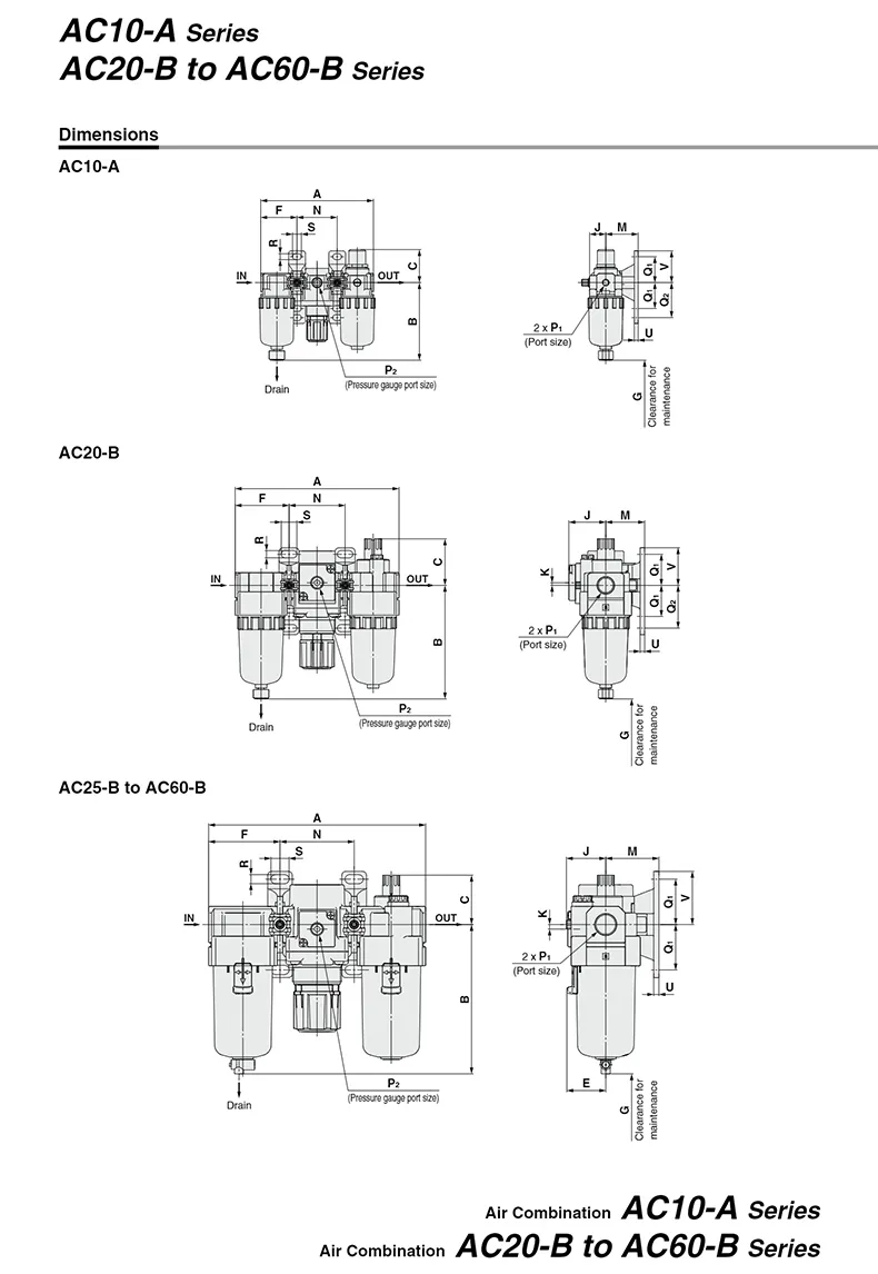
Product Detail

Inquiry
Related Products

+86-15258001222

gloriazhengcn@foxmail.com

+86-15258001222